«Терминатор-75 Овен» - пеллетная горелка






Профессиональная консультацияБесплатный расчёт мощности котла и ежемесячных затрат на отопление
Техническая поддержкаСвоевременная техническая и информационная поддержка как в течение гарантийного срока, так и после негоОписание
Автоматическая факельная горелка Терминатор-75 Овен для сжигания пеллет. Работает в тяжелых условиях высоких температур, выполнена из нержавеющей жапопрочной стали AISI310S. В комплект входит горелка, шнек, автоматика.
Факельные горелки Терминатор-75 Овен являются альтернативой газовым и жидко-топливным горелкам для водогрейных котлов и печей при условии, что конструкция котла (печи) позволяет производить сбор и удаление золы. Горелки обладают высокими экологическими показателями, низкой эмиссией дымовых газов и низким энергопотреблением.
Наибольшая эффективность работы горелки достигается при работе на пеллетах изготовленных из древесных опилок и стружек. Допускается использование пеллет из другого сырья (лузга подсолнечника). При этом эффективность горелки снизится и потребуется чаще проводить ее обслуживание и чистку. Для обеспечения непрерывной и бесперебойной работы оборудования, предусмотрена усовершенствованная система самоочистки топки горелки от золы.
Наиболее приемлемым местом установки горелки является дверца загрузочной камеры котла. В некоторых котлах предусмотрены специальные места для установки горелки.
Преимущества и функционал горелки «Терминатор»:
- Автоматическое зажигание;
- Качество топлива не имеет значения;
- Профессиональный контроллер с дистанционным управлением горелкой, обновление и техническая поддержка посредством Wi-Fi;
- Регулирование пламени с автоматическим подбором мощности по температуре теплоносителя и дымовых газов;
- Низкая тепловая инерция;
- Низкое потребление энергии;
- Контроль температуры корпуса горелки для достижения максимального уровня безопасности;
- Режим «Волна», позволяющий избежать хлопков в топке котла при запуске;
- AUTOSTART при потере напряжения;
- Текущие настройки режима работы сохраняются;
- Сокращение выбросов газа CO — до уровня 200 ppm;
- КПД > 95%;
- Двухшнековая система подачи пеллет;
- Управление несколькими отопительными контурами (ЦО и ГВС);
- Датчики температуры котла и перегрева горелки;
- Режимы модуляции и функция старт-стоп;
- Автоматическая функция механической очистки решетки.
Гарантия
Как я могу вернуть (обменять) товар?
Возврат и обмен товара производится в течение 14 дней после покупки. Товар, не подошедший по цвету или размеру, можно обменять на аналогичный, главное условие - сохранение ярлыков и товарного вида, а также наличие чека. Возврат товара возможен самостоятельно, либо через нашу службу доставки.
Я обнаружил повреждение после приемки товара
Товар ненадлежащего качества подлежит замене в течение 7 дней. При наличии видимых механических повреждений, обнаруженных после приемки товара, Вам необходимо выслать фотографии поврежденного товара на почту office@teplohorosho.ru. Каждый случай тщательно разбирается Службой Контроля Качества.
Как отремонтировать товар если гарантия закончилась?
Если товар сломался после окончания гарантийного срока Вы можете обратиться в нашу службу контроля качества на бесплатную линию 8 (800) 222-35-95. Мы имеем договоренности с сервисными центрами по постгарантийному ремонту.
Что делать, если я потерял гарантийный талон?
Обратитесь в Службу Контроля Качества на бесплатную линию 8 (800) 222-35-95, мы предоставим Вам дубликат, либо поспособствуем ремонту без талона.
Что нужно проверить при получении заказа?
Проверьте соответствие маркировки заказанного товара в чеке и на самой коробке, а также убедитесь в отсутствии видимых механических повреждений коробки или самого товара.
Товар сломался до окончания гарантийного срока
Для ремонта товара вы можете обратиться в сервисный центр, контакты которого указаны в гарантийном талоне. Если проведение гарантийного ремонта в установленный срок невозможно, товар подлежит замене.
Как узнать адрес сервисного центра в моем городе?
К каждому товару прилагается гарантийный талон, в котором указаны сроки действия гарантии и контакты авторизованных сервисных центров производителя. Вы также можете обратиться в нашу службу контроля качества 8 (800) 222-35-95, чтобы узнать адрес ближайшего сервисного центра.
Характеристики
| Диапазон мощности, кВт | 30…80 |
| Производство | Россия, Украина |
| Самоочистка горелки | автоматическая механическая |
| Авторозжиг | Да |
| Дист. управление | Wi-Fi модуль |
| Гарантия, лет | 1 |
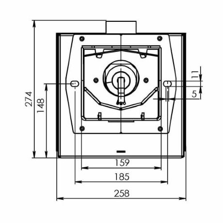
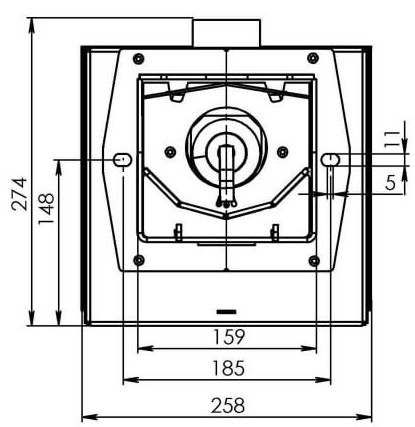
| Габариты, Г*Ш*В, мм | 625 × 258 × 277 |
| Параметр | Терминатор-75 Овен |
| Вид топлива | Пеллеты, 6-8 мм |
| Диапазон мощности, кВт | 30...80 кВт |
| Эффективность | > 99% |
| КПД | > 90% |
| Регулировка мощности горелки | (5...100%) |
| Регулировка оборотов вентилятора | (5...100%) |
| Вес, кг | 17 |
| Напряжение сети, В | 230 |
| Потребляемая мощность в работе (средняя), Вт | 45 |
| Потребляемая мощность на розжиге, Вт | 325 |
| Управление насосом системы отопления | Да |
| Управление насосом контура ГВС | Да |
| Работа по датчику комнатной температуры | Да |
| Длина шнекового питателя, м. | 2 |
Комплектация
- Пеллетная горелка;
- Контроллер с Wi-Fi;
- Шнек подающий в сборе;
- Шланг гофрированный противопожарный;
- Инструкция по эксплуатации пеллетной горелки;
- Руководство по эксплуатации контроллера управления.
Дополнительная опция:
- Бункер для пеллет от 350 до 1700 литров. Стоимость зависит от объема (уточняйте у оператора).
Отзывы о товаре























