КТМ 90 - котел автоматический угольный (пеллетный)










Профессиональная консультацияБесплатный расчёт мощности котла и ежемесячных затрат на отопление
Техническая поддержкаСвоевременная техническая и информационная поддержка как в течение гарантийного срока, так и после негоОписание
Автоматический котёл КТМ 90 мощностью 90 кВт — это надёжное и современное решение для отопления дома или коммерческого помещения до 900 м². Прочный корпус из стали 09Г2С толщиной 6 мм, вертикальный теплообменник с цельнотянутыми трубами и чугунная ретортная горелка обеспечивают долговечность и эффективность. Он спокойно выдерживает тяжёлые нагрузки, работает годами без прогораний и остаётся надёжным даже при круглосуточной зимней эксплуатации. Бесперебойную и экономную работу котла обеспечивает микропроцессорный контроллер, самостоятельно регулирующий подачу воздуха и топлива, а функция автореверса при заклинивании шнека гарантирует безопасность эксплуатации. Дополнительно в комплект поставки можно добавить GSM-модуль, позволяющий управлять оборудованием удаленно с помощью смартфона. Котел может быть укомплектован увеличенным бункером, что позволяет обеспечить более длительную работу автоматического котла на одной загрузке.
Топливоподача представлена в двух вариантах:
- Стандарт — шнек диаметром 108 мм (наружный размер топливоподачи) для работы на угле фракции «семечко» (до 30 мм) и пеллетах.
- Усиленный — шнек диаметром 127 мм (наружный размер топливоподачи) для работы на угле фракции «орех» (до 50 мм).
В стандартной комплектации котел поставляется с чугунным отбойником, выполняющим 2 функции: равномерное распределение тепловой нагрузки по внутренним поверхностям и поджигание частиц топлива, ударяющихся о него. Высота расположения регулируется длиной цепи и зависит от вида используемого топлива.
Внешний диаметр трубы шнека топливоподачи в стандартной комплектации — 108 мм, он обеспечивает зазор между валом и трубой шнека размером 35мм, что позволяет использовать в качестве топлива древесные пеллеты и уголь фракцией 30 мм «семечка», «горох».
Уголь фракцией до 50 мм «орех» допускается использовать со шнеком такого диаметра только бурый и с условием, что моторредуктор шнека будет работать с дополнительной нагрузкой, снижающей срок его службы. Если такой тип топлива планируется использовать постоянно, следует выбрать комплектацию, в которой шнек имеет внешний диаметр 127 мм.
Конструктивные особенности КТМ:
- Вертикальный теплообменник: обеспечивает эффективный прогрев и высокую степень самоочищения, требуя чистки всего 1–2 раза за сезон.
- Толщина стенок 6 мм: прочный корпус из стали 09Г2С гарантирует долговечность и устойчивость к нагрузкам. Закрыт теплоизоляционной декоративной обшивкой окрашенной порошковой краской.
- Цельнотянутые трубы теплообменника: надёжность без сварных швов и высокая устойчивость к износу.
- Контроллер Biomatic с GSM: автоматически регулирует подачу топлива и воздуха, а удалённое управление со смартфона делает эксплуатацию удобной.
- Ретортная чугунная горелка (патент): прочная, устойчивая к провисанию и позволяет устанавливать бункер с любой стороны котла.
- Богатая базовая комплектация: котёл готов к работе сразу после установки без дополнительного оснащения.
Ретортная чугунная горелка КТМ
В котлах КТМ используется запатентованная горелка собственной конструкции. При ее создании мы учли известные недостатки горелок других производителей.
Горелка состоит из:
- Стальной трубы подачи воздуха и топлива (№3).
- Чугунной реторты (№2).
- Стальной трубы (№1), являющейся корпусом.
- Направляющей пластины (№4), обеспечивающей подъем топлива и разделение потоков воздуха и топлива.
Принцип работы
Подача топлива
Топливо подается шнеком по трубе топливоподачи (№3). Упираясь в направляющую пластину (№4), оно поднимается вверх и рассыпается по рабочей поверхности чугунной реторты (№2), где происходит сгорание.
Подача воздуха
Воздух нагнетается вентилятором наддува по трубе (№3) с противоположной от подачи топлива стороны. Далее воздух через специальные каналы попадает в полость горелки. Из полости он выходит через отверстия на рабочую поверхность чугунной реторты (№2), где участвует в горении топлива.
Особенность фланца
Со стороны подачи воздуха фланец имеет специальную конструкцию, обеспечивающую необходимый монтажный зазор.
Контроллер BIOMATIC
Собственная разработка КТМ. Интуитивно понятный контроллер с поддержкой Android и IOS. Все датчики котла, кроме датчика температуры дыма — цифровые. Преимуществом цифровых датчиков перед аналоговыми являются: высокая точность, скорость реакции и возможность удлинения провода до 40м без погрешности.
- Удобный сенсорный экран: 4,3-дюймовый дисплей для интуитивного управления и визуального контроля.
- Надёжная электроника: Твердотельные реле (вместо механических) управляют узлами (шнек, вентилятор, насосы, клапан), увеличивая срок службы системы.
- Мобильное управление: Управляйте котлом через приложение: Android — скачайте из RuStore, iOS — добавьте ярлык через «Поделиться» → «На экран Домой».
- Удалённый мониторинг: Опция GSM позволяет управлять котлом и получать оповещения о режимах работы или авариях (например, заклинивание) через приложение.
- Автореверс шнека: Контроллер автоматически запускает обратный ход при заклинивании, пытаясь устранить засор без вмешательства пользователя.
- Контроль горения: Датчик температуры дымовых газов (в базе) анализирует процесс горения, фиксирует окончание топлива и оптимизирует работу котла.
Конструкция шнекового котла-автомата
Фракционное топливо (2–50 мм) загружается в бункер и подаётся шнеком к горелке по аналогии с мясорубкой. Вентилятор нагнетает воздух через отверстия горелки, создавая факел пламени по принципу кузнечного горна. Теплообменник работает также, как в полуавтоматических котлах. Преимущество шнековых моделей — безопасность: бункер расположен в стороне от зоны горения.
Гарантия
Как я могу вернуть (обменять) товар?
Возврат и обмен товара производится в течение 14 дней после покупки. Товар, не подошедший по цвету или размеру, можно обменять на аналогичный, главное условие - сохранение ярлыков и товарного вида, а также наличие чека. Возврат товара возможен самостоятельно, либо через нашу службу доставки.
Я обнаружил повреждение после приемки товара
Товар ненадлежащего качества подлежит замене в течение 7 дней. При наличии видимых механических повреждений, обнаруженных после приемки товара, Вам необходимо выслать фотографии поврежденного товара на почту office@teplohorosho.ru. Каждый случай тщательно разбирается Службой Контроля Качества.
Как отремонтировать товар если гарантия закончилась?
Если товар сломался после окончания гарантийного срока Вы можете обратиться в нашу службу контроля качества на бесплатную линию 8 (800) 222-35-95. Мы имеем договоренности с сервисными центрами по постгарантийному ремонту.
Что делать, если я потерял гарантийный талон?
Обратитесь в Службу Контроля Качества на бесплатную линию 8 (800) 222-35-95, мы предоставим Вам дубликат, либо поспособствуем ремонту без талона.
Что нужно проверить при получении заказа?
Проверьте соответствие маркировки заказанного товара в чеке и на самой коробке, а также убедитесь в отсутствии видимых механических повреждений коробки или самого товара.
Товар сломался до окончания гарантийного срока
Для ремонта товара вы можете обратиться в сервисный центр, контакты которого указаны в гарантийном талоне. Если проведение гарантийного ремонта в установленный срок невозможно, товар подлежит замене.
Как узнать адрес сервисного центра в моем городе?
К каждому товару прилагается гарантийный талон, в котором указаны сроки действия гарантии и контакты авторизованных сервисных центров производителя. Вы также можете обратиться в нашу службу контроля качества 8 (800) 222-35-95, чтобы узнать адрес ближайшего сервисного центра.
Характеристики
| Диапазон мощности, кВт | 90 |
| Производство | Россия |
| Производитель | КТМ |
| Толщина стали, мм | 6 |
| Основное топливо | Уголь, Пеллеты |
| КПД, % | 89 |
| Фракция угля | до 30 мм |
| Вес | 960 кг |
| Срок автономной работы | до 4 суток |
| Дист. управление | Опция: GSM-модуль |
| Золоудаление автоматическое | Нет |
| Отапливаемая площадь | 900 кв. м. |
| Емкость бункера | 600 л |
| Гарантия, лет | 1 |
| Срок службы, лет | 10 |
| Максимальная мощность, кВт | 90 |
| Марка стали | 09Г2С |
| Объем воды в котле | 270 л |
| Максимальное давление, бар | 3 |
| Диаметр дымохода, мм | 219 |
| Диаметр патрубков подключения | G 2" |
| Тип котла | Автоматический угольно-пеллетный |
| Тип теплообменника | Вертикальный, Трубчатый, Трехходовой |
| Тип горелки | Ретортная |
| Глубина, мм | 1350 |
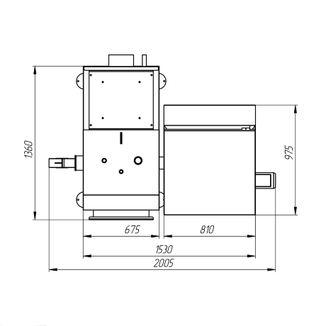
| Ширина, мм | 2005 |
| Высота, мм | 1850 |
| Габариты, Г*Ш*В, мм | 1350 × 2005 × 1850 |
| Цвет | красный |
Отзывы о товаре
















