«Терминатор-150» - пеллетная горелка






Профессиональная консультацияБесплатный расчёт мощности котла и ежемесячных затрат на отопление
Техническая поддержкаСвоевременная техническая и информационная поддержка как в течение гарантийного срока, так и после негоОписание
Пеллетная горелка «Терминатор» 150 кВт - автоматическая горелка факельного типа, предназначена для работы на пеллетах (топливных гранулах).
Главное преимущество пеллетной горелки «Терминатор», принесшее ей популярность - наличие уникального механизма самоочистки колосников. Подвижный механизм, (называемый пользователями "чистиком"), перемешивает порцию горящих пеллет, способствую полному сгоранию топлива и удалению золы, тем самым решая распространенную проблему "спекания" низкокачественных древесных пеллет или агропеллет.
Благодаря такому механизму пеллетная горелка «Терминатор» подходит для пеллет из лузги подсолнечника, овса, гречихи, агропеллет и низкокачественных древесных пеллет.
Факельная пелетная горелка предназначена для работы с твердотопливными котлами и является альтернативой газовым и жидкотопливным горелкам для водогрейных котлов и печей, при условии, что конструкция котла (печи) позволяет производить сбор и удаление золы. Горелка обладает высокими экологическими показателями, низкой эмиссией дымовых газов и низким энергопотреблением.
Автоматика управления горелкой позволяет наиболее эффективно использовать топливо, автоматически подстраивая работу горелки под требования системы отопления. Автоматика горелки имеет функцию PID-регулирования (алгоритм плавного подбора мощности), горелка может работать как по температуре теплоносителя системы отопления, так и по комнатной температуре (с комнатным термостатом. Кроме того, автоматика горелки управляет работой насоса системы отопления и насоса контура ГВС.
Факельная горелка работает автоматически во всех режимах: розжиг, горение, ожидание (поддержка), тушение. Процесс розжига горелки начинается с включения вентилятора, с целью удаления из камеры сжигания котла остаточных газов. Затем включается устройство воспламенения топлива. Воспламенение происходит за счет подачи в топку горелки воздуха, нагретого до высокой температуры (500°С)
Преимущества и функционал горелки «Терминатор»:
- авторозжиг;
- работает на пеллетах с высокой остаточной зольностью (до 5-7 %);
- профессиональный контроллер управления с цветным дисплеем;
- регулирование пламени с автоматическим подбором мощности, по температуре теплоносителя и дымовых газов;
- низкая тепловая инерция;
- низкое потребление энергии;
- контроль температуры корпуса горелки, для достижения максимального уровня безопасности;
- режим «Волна». позволяет избежать хлопков в топке котла при запуске;
- AUTOSTART при потере напряжения;
- сохранение текущих настроек режима работы;
- сокращение выбросов газа CO - до уровня 200 ppm;
- КПД > 95%
- автоматическая функция механической очистки колосников
Работа автоочистки пеллетной горелки «Терминатор»:

Гарантия
Как я могу вернуть (обменять) товар?
Возврат и обмен товара производится в течение 14 дней после покупки. Товар, не подошедший по цвету или размеру, можно обменять на аналогичный, главное условие - сохранение ярлыков и товарного вида, а также наличие чека. Возврат товара возможен самостоятельно, либо через нашу службу доставки.
Я обнаружил повреждение после приемки товара
Товар ненадлежащего качества подлежит замене в течение 7 дней. При наличии видимых механических повреждений, обнаруженных после приемки товара, Вам необходимо выслать фотографии поврежденного товара на почту office@teplohorosho.ru. Каждый случай тщательно разбирается Службой Контроля Качества.
Как отремонтировать товар если гарантия закончилась?
Если товар сломался после окончания гарантийного срока Вы можете обратиться в нашу службу контроля качества на бесплатную линию 8 (800) 222-35-95. Мы имеем договоренности с сервисными центрами по постгарантийному ремонту.
Что делать, если я потерял гарантийный талон?
Обратитесь в Службу Контроля Качества на бесплатную линию 8 (800) 222-35-95, мы предоставим Вам дубликат, либо поспособствуем ремонту без талона.
Что нужно проверить при получении заказа?
Проверьте соответствие маркировки заказанного товара в чеке и на самой коробке, а также убедитесь в отсутствии видимых механических повреждений коробки или самого товара.
Товар сломался до окончания гарантийного срока
Для ремонта товара вы можете обратиться в сервисный центр, контакты которого указаны в гарантийном талоне. Если проведение гарантийного ремонта в установленный срок невозможно, товар подлежит замене.
Как узнать адрес сервисного центра в моем городе?
К каждому товару прилагается гарантийный талон, в котором указаны сроки действия гарантии и контакты авторизованных сервисных центров производителя. Вы также можете обратиться в нашу службу контроля качества 8 (800) 222-35-95, чтобы узнать адрес ближайшего сервисного центра.
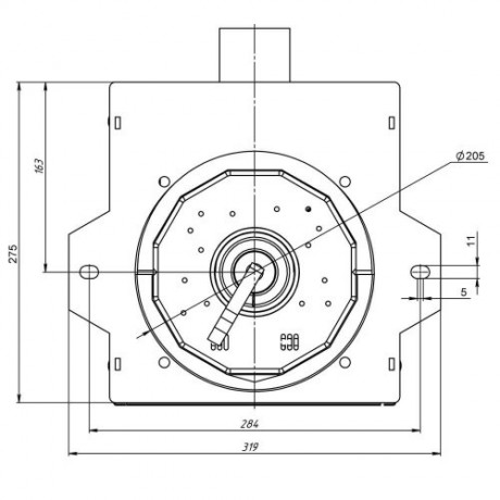
Характеристики
| Диапазон мощности, кВт | 30…150 |
| Производство | Россия, Украина |
| Самоочистка горелки | автоматическая механическая |
| Авторозжиг | Да |
| Дист. управление | Wi-Fi модуль |
| Гарантия, лет | 1 |
| Параметр | Терминатор-150 |
| Вид топлива | Пеллеты, ?6-8 мм |
| Диапазон мощности, кВт | 30...150 кВт |
| Эффективность | > 95% |
| КПД | > 90% |
| Регулировка мощности горелки | (5...100%) |
| Регулировка оборотов вентилятора | (5...100%) |
| Вес, кг | 19 |
| Напряжение сети, В | 230 |
| Потребляемая мощность в работе (средняя), Вт | 85 |
| Потребляемая мощность на розжиге, Вт | 700 |
| Управление насосом системы отопления | Да |
| Управление насосом контура ГВС | Да |
| Работа по датчику комнатной температуры | Да |
| Длина шнекового питателя, м. | 0,5 - 2 |
Комплектация
Стандартный комплект поставки пеллетной горелки «Терминатор»:
- горелка пеллетная в сборе
- блок управления горелкой с комплектом датчиков и соединительных проводов
- шнек подающий в сборе
- гибкая термостойкая труба для присоединения шнекового питателя к горелке
- инструкция по эксплуатации пеллетной горелки
- руководство по эксплуатации контроллера управления
Дополнительная опция:
- Бункер для пеллет
Отзывы о товаре























